公司生產的專用設備油缸,壓力穩(wěn)定,無泄漏,專為鐵路專用設備,海工設備設計。符合JB/ZQ4181-1997重型機械企業(yè)標準。
冶金液壓缸工作可靠,耐高溫、耐沖擊,耐污染,適合于各種高溫、高壓、環(huán)境惡劣的場合,廣泛應用于鋼鐵、有色金屬冶煉、鑄軋、航天、電力設備等行業(yè)。
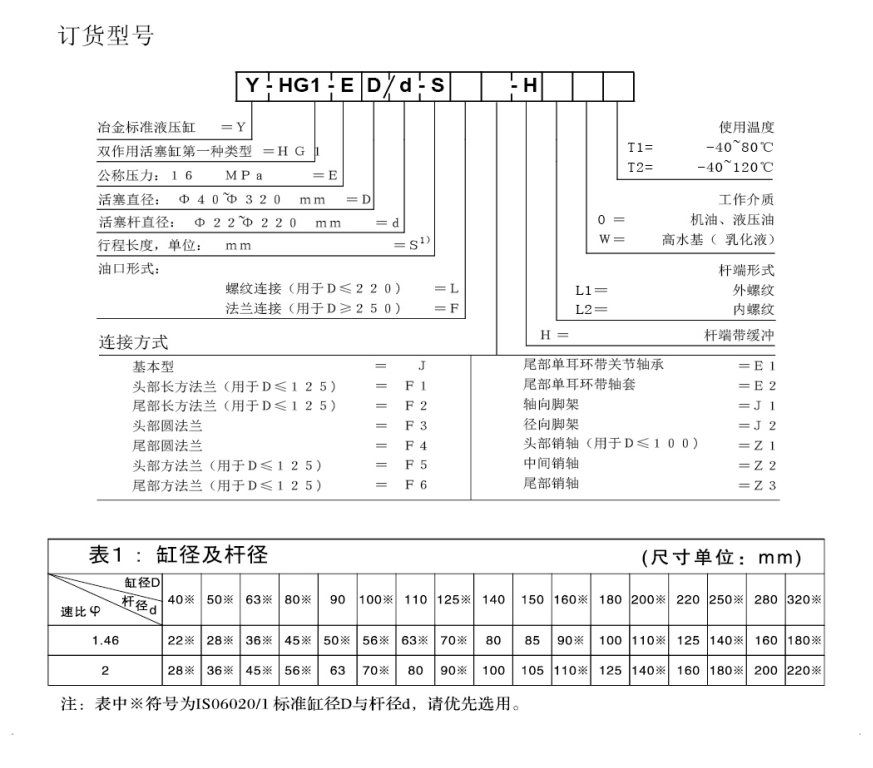
公稱壓力: 16MPa
活塞直徑: 40-320mm
活塞桿直徑: 22-220mm
最大行程: 3980mm
連接方式: 符合ISO6021/1-1981標準
有七種安裝方式
工作介質: 液壓油
介質溫度: -20 至 80攝氏度
粘度范圍: 2.8 至 380 mm2/s
清潔度等級:介質的最大允許污染度按照ISO4406(c)等級20/18/15.
適用于冶金、鑄造、鍛造設備等。
